

| 產品型號 | AM40-1000 | AM40-1500 |
| 標稱工作電壓Un | 1000VDC | 1500VDC |
| 最大持續(xù)工作電壓Uc | 1000VDC | 1600VDC |
| 標稱放電電流In(8/20μs) | 20kA | |
| 最大通流容量Imax(8/20μs) | 40kA | |
| 保護水平Up | 3600V | 5600Vn |
| 響應時間 | ≤ 25ns | |
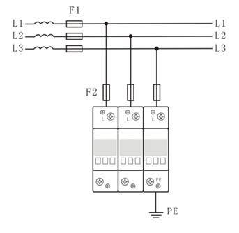
| 遙信端子(選配) | COM公共點 、NO常開 、 NC常閉 | |
| IP防護等級 | IP20 | |
| 接入導線面積 | +/-:2.5mm²,PE:6mm² | |
| 外形尺寸 | 90×62×54 mm | |
| 安裝方式 | 35 mm DIN-rail | |
| 工作環(huán)境 | 環(huán)境溫度:-40℃~+85℃; 相對濕度:≤95%(25℃) | |

